Overview
The JN15-12/31.5 type indoor high-voltage grounding switch is a new type of grounding switch with international advanced level, designed and developed by our company based on the prototype of the ES1 type grounding switch. The structure is assembled, and its performance meets the requirements of GB1985-2004 "AC high-voltage disconnecting switches and grounding switches" and IEC129. It is suitable for indoor 3~12kV three-phase AC 50(60)Hz power systems. It has a certain closing capacity to protect other electrical equipment in the switchgear from damage. It can be used with various high-voltage switchgear as grounding protection during the maintenance of high-voltage electrical equipment.
Model and Meaning

Environmental conditions for use
◆Ambient air temperature: Upper limit +40℃, lower limit -10℃;
◆Altitude: Not exceeding 1000 meters;
◆Humidity conditions: The average daily relative humidity does not exceed 95%, and the average monthly relative humidity does not exceed 90%;
◆ Seismic intensity: Not exceeding 8 degrees;
◆Filth level: Level II.
Main technical parameters
| Project | Unit | Parameter | ||
| Rated voltage | Kv | 12 | ||
| Rated short-time withstand current (thermal stability) | KA | 31.5 | ||
| Rated short-circuit holding time | S | 4 | ||
| Rated short-circuit making current | KA | 80 | ||
| Rated peak withstand current (dynamic stability) | KA | 80 | ||
| Rated insulation level | Rated short-time power frequency withstand voltage | kV | Relative and intermittent | 42 |
| Rated insulation level | Rated lightning impulse withstand voltage | kV | Relative and intermittent | 75 |
| Mechanical life | 次 | 2000 | ||
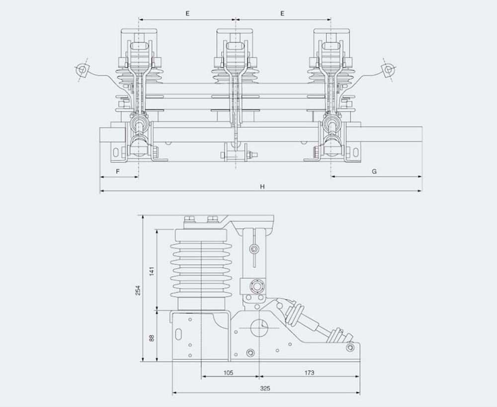
JN15-12、31.5 Type Combined Grounding Switch Outline and Installation Dimensions (mm) (ES-10、31.5)

Copper busbar terminal diagram

Installation opening diagram (mm)

| Product Model | E | F | G | H | D | C |
| JN15-12/31.5-165 | 165 | 75 | 160 | 565 | 426 | |
| JN15-12/31.5-180 | 180 | 75 | 160 | 595 | 456 | |
| JN15-12/31.5-200 | 200 | 75 | 160 | 635 | 496 | |
| JN15-12/31.5-210 | 210 | 75 | 160 | 655 | 516 | |
| JN15-12/31.5-220 | 220 | 75 | 160 | 675 | 536 | |
| JN15-12/31.5-230 | 230 | 75 | 160 | 695 | 556 | 96 |
| JN15-12/31.5-250 | 250 | 75 | 160 | 735 | 596 | 96 |
| JN15-12/31.5-275 | 275 | 75 | 185 | 810 | 646 | 96 |