产品中心

产品中心

Product Center

  • KYN28A-12铠装移开式交流金属封闭开关设备
  • KYN28A-12铠装移开式交流金属封闭开关设备
  • KYN28A-12铠装移开式交流金属封闭开关设备
  • Product Details

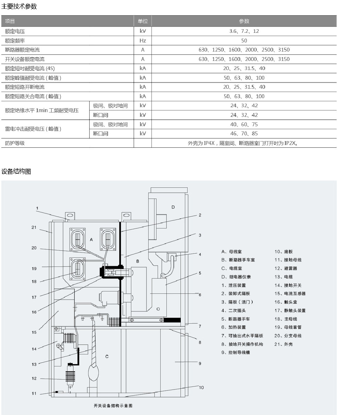
KYN1.jpgkyn2.jpg

Related Products