产品中心

产品中心

Product Center

  • HXGN15-12单元式交流金属封闭环网开关设备
  • HXGN15-12单元式交流金属封闭环网开关设备
  • HXGN15-12单元式交流金属封闭环网开关设备
  • Product Details

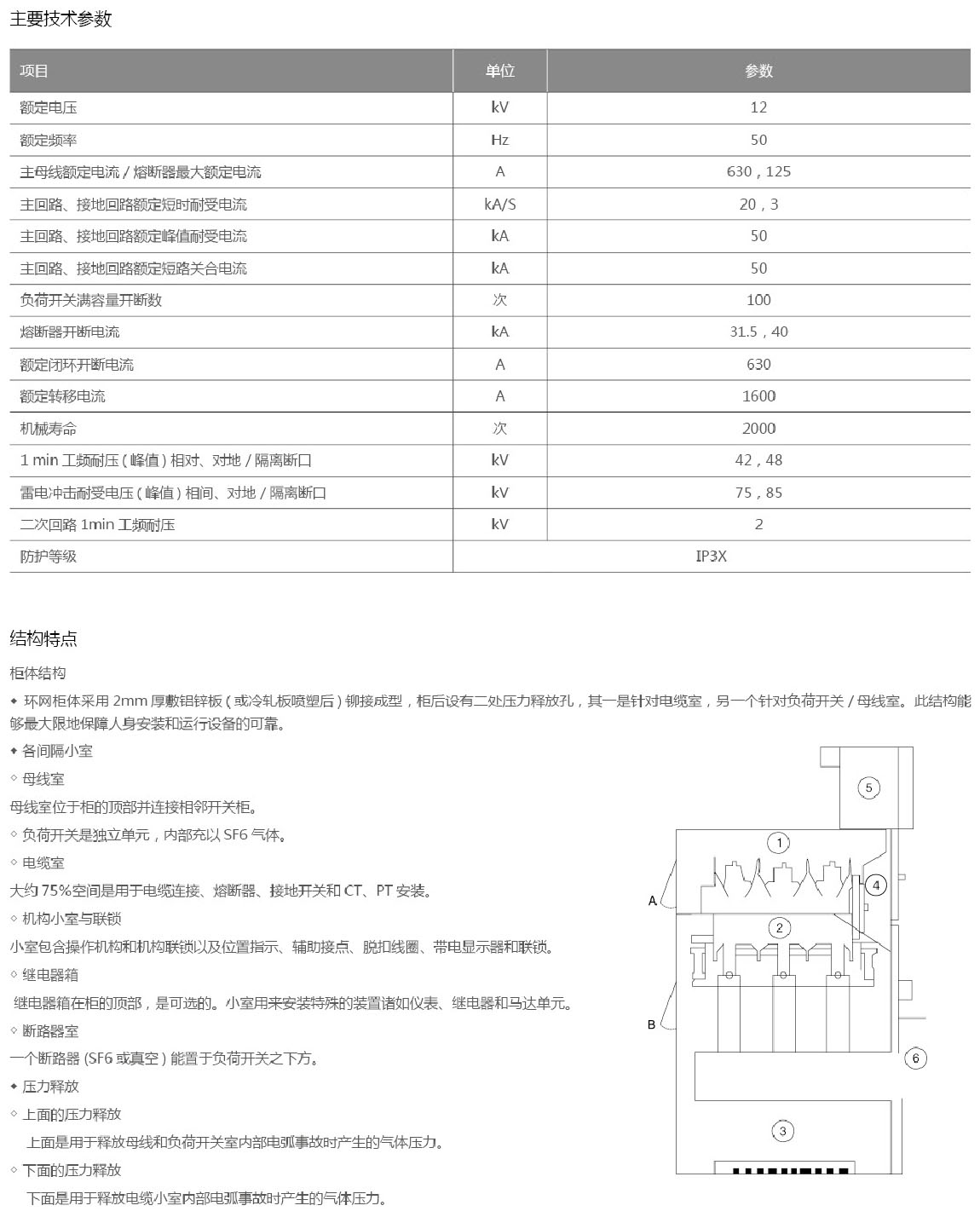
HXGN.jpg1.jpgHXGN.jpg2.jpgHXGN.jpg23jpg.jpg

Related Products