Model Meaning

Main technical parameters
| Product Model | Rated current ratio (A) | Level combination | Accuracy class and rated output (VA) COSФ=0.8 | 1-second thermally stable current | Dynamic stability current | |||
| 0.2S | 0.2 | 0.5 | 10P15 | |||||
| LZZBJ9-10B LZZBJ9-10C | 5/5 | 0.2S/10P15 0.2/10P15 0.5/10P15 0.2S/0.5/10P15 0.2/0.5/10P15 | 10 | 10 | 10 | 15 | 0.8 | 1.9 |
| 10/5 | 10 | 10 | 10 | 15 | 1.5 | 3.8 | ||
| 15/5 | 10 | 10 | 10 | 15 | 2.3 | 5.8 | ||
| 20/5 | 10 | 10 | 10 | 15 | 3 | 7.5 | ||
| 30/5 | 10 | 10 | 10 | 15 | 4.5 | 11.2 | ||
| 40/5 | 10 | 10 | 10 | 15 | 6 | 15 | ||
| 50/5 | 10 | 10 | 10 | 15 | 7.5 | 18.8 | ||
| 75/5 | 10 | 10 | 10 | 15 | 11.5 | 29 | ||
| 100/5 | 10 | 10 | 10 | 15 | 15 | 37.5 | ||
| 150~200/5 | 10 | 10 | 10 | 15 | 22.5 | 56.5 | ||
| 300~600/5 | 10 | 10 | 10 | 15 | 45 | 112.5 | ||
| 800~2500/5 | 10 | 10 | 10 | 15 | 63 | 157.5 | ||
Note: Users with special requirements can negotiate with our company to determine the specific requirements. Dynamic and thermal stability can be customized according to user requirements.
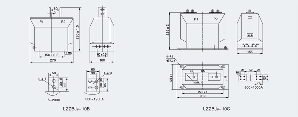
External dimensions and installation dimensions (mm)

