Model Meaning

Main technical parameters
| Product Model | Rated current ratio (A) | Level combination | Accuracy class and rated output (VA) COSФ=0.8 | 1-second thermally stable current | Dynamic stability current | |||
| 0.2S | 0.2 | 0.5 | 10P15 | |||||
| LZJC-10Q | 5/5 | 0.2S/10P150.2/10P150.5/10P15 | 10 | 10 | 10 | 15 | 0.4 | 0.8 |
| 10/5 | 10 | 10 | 10 | 15 | 0.8 | 1.5 | ||
| 15/5 | 10 | 10 | 10 | 15 | 1.1 | 2.3 | ||
| 20/5 | 10 | 10 | 10 | 15 | 1.5 | 3 | ||
| 30/5 | 10 | 10 | 10 | 15 | 2.3 | 4.5 | ||
| 40/5 | 10 | 10 | 10 | 15 | 3.8 | 7.5 | ||
| 50/5 | 10 | 10 | 10 | 15 | 5.6 | 11.3 | ||
| 75/5 | 10 | 10 | 10 | 15 | 7.5 | 15 | ||
| 150/5 | 10 | 10 | 10 | 15 | 11.3 | 23 | ||
| 200/5 | 10 | 10 | 10 | 15 | 15 | 30 | ||
| 300/5 | 10 | 10 | 10 | 15 | 22.5 | 45 | ||
| 400/5 | 10 | 10 | 10 | 15 | 30 | 60 | ||
| 600/5 | 10 | 10 | 10 | 15 | 30 | 60 | ||
| 800/5 | 10 | 10 | 10 | 15 | 40 | 80 | ||
| 1000/5 | 10 | 10 | 10 | 15 | 45 | 90 | ||
| 1500/5 | 10 | 10 | 10 | 15 | 45 | 90 | ||
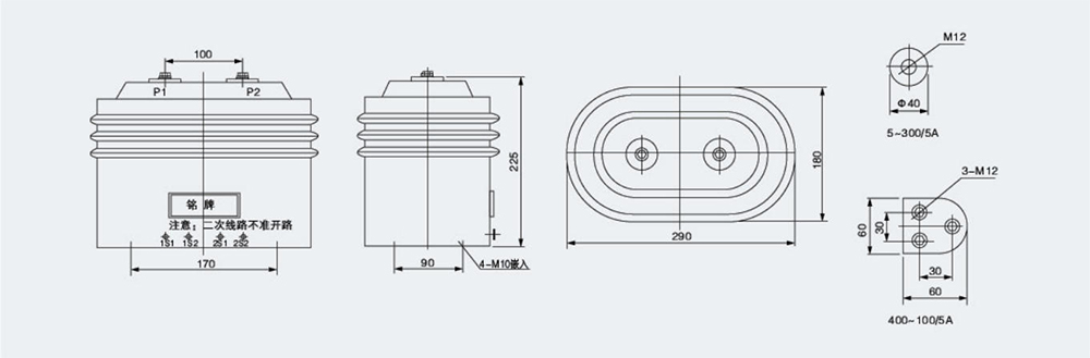
External dimensions and installation dimensions (mm)
