Model Meaning

Main technical parameters
| Product Model | Rated voltage ratio (V) | Accuracy class and rated output (VA) COSФ=0.8 | Maximum output | Rated insulation level | ||||
| 0.2 | 0.5 | 1 | 3p | 3P 6P | ||||
| JDZ10-10(RZL10) | 6000/100 | 15 | 30 | 60 | 50 | 50 | 200 | 7.2/32/60 |
| 10000/10 | 15 | 30 | 60 | 50 | 50 | 200 | 12/42/75 | |
Note: Users with special requirements can negotiate with our company to determine the specific requirements. Dynamic and thermal stability can be customized according to user requirements.
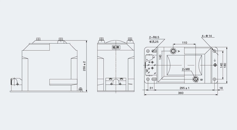
External dimensions and installation dimensions (mm)
